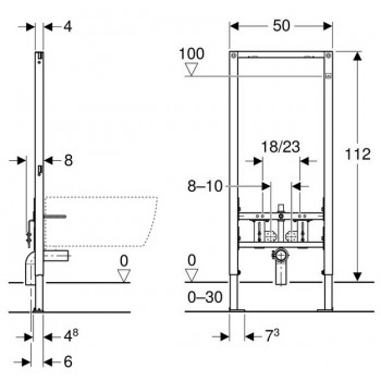
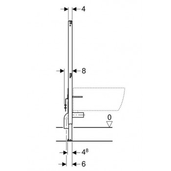
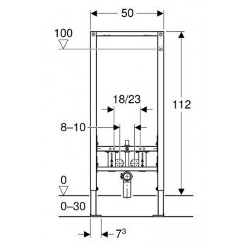
Modulo Duofix per bidet sospeso 112 cm Geberit 111.512.00.2
Modulo per bidet 112 cm DUOFIX Geberit
![]()
Caratteristiche tecniche:
- Posizione: Incasso
- 2 gomiti di allacciamento Rp 1/2" / R 1/2", compatibile MF
- 2 dischi di tenuta
- 2 manicotti isolanti
- Curva tecnica in PE-HD, ø 50 mm
- Guarnizione ø 44/40 mm
- 2 barre filettate M12
- Materiale di fissaggio
Specifiche tecniche:
- Larghezza: 50 cm
- Profondità: 4 cm
- Altezza: 112 cm
DUOFIX
Geberit Duofix fornisce una gamma completa con moduli d'installazione universali e autoportanti per tutti gli impianti sanitari realizzati in costruzioni leggere.
I moduli d'installazione sono adatti all'installazione mono e a doppia orditura metallica per pareti in cartongesso o ad installazione totale e parziale davanti alla parete. Sono utilizzati sia per le nuove costruzioni che per le ristrutturazioni.
Geberit Duofix è un talento universale nella costruzione di cartongesso. Con innumerevoli modelli, gli elementi di installazione Geberit Duofix coprono praticamente qualsiasi applicazione immaginabile. Questo facilita l'installazione di WC, bidet, lavabi, rubinetti, scarichi docce a parete e orinatoi.

Scheda tecnica
- Tempi di consegna
- 7 giorni